PTFE Anti-Corrosion Radar Solid Block Level Gauge

Still deciding? Get samples of $ !
Order Sample

Product Description

i

Basic Information

Model NO.:XCAI
Range:0~200m
Accuracy:±1mm / 0.1%
Kind:Radar
Material:SS304/316L/PTFE
Frequency:76GHz~81 GHz
IP Rating:IP67
Temperature:-40~300℃
Protocol:Hart/Modbus Bus
Pressure:-0.1~2MPa
D

Product Description

The level gauge can perform non-contact continuous measurement of the height of materials (solid or liquid) in closed or open containers during industrial production processes.
Radar Level Gauge
76-81 GHz frequency-modulated continuous wave (FMCW) radar products for four-wire and two-wire applications. Multiple models, the maximum range can reach 120m, and the blind area can be 10 cm. Due to its higher operating frequency and shorter wavelength, it is particularly suitable for solid applications. The working mode of receiving electromagnetic waves through lens emission has unique advantages in high dust and harsh temperature environments (+200ºC). The meter offers flange or thread fixing for easy installation.
F

Product Features

  • Self-developed CMOS millimeter wave RF chip for compact architecture and higher signal-to-noise ratio.
  • 5GHz operating bandwidth for higher measurement resolution and accuracy.
  • Narrow 3° antenna beam angle reduces interference and simplifies installation.
  • Shorter wavelength provides better reflection on solid surfaces without needing universal flanges.
  • Supports mobile phone Bluetooth debugging for easy on-site maintenance.
P

Technical Parameters

Transmitting Frequency76GHz~81GHz, FM scan frequency width 5GHz
Measurement Range0.1~35m / 0.3~85m / 0.6~120m
Measurement Accuracy±1mm
Beam Angle3°, 8°
Power Supply Range18~28.0VDC, 4-wire system (< 1W)
Signal Output4~20mA or RS-485
Shell MaterialAluminum alloy, Stainless steel
Antenna TypeLens antenna (options for shield/anti-corrosion/quartz isolation)
Protection ClassIP67
Gauge Detail 1 Gauge Detail 2
S

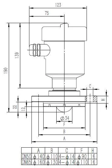
Installation Instructions

Installation Guide
A

Applications

Application 1 Application 2
C

About Us

We are committed to becoming a first-class industrial Internet of things visual monitoring system solution integrator. Adhering to the "Customer first, Integrity-based" business philosophy, we focus on high-quality products. Our IoT monitoring system is based on "Industry 4.0" principles, integrating production process technology, automation, and IT technology.
Production Environment
Q

Certifications

Product Certifications
?

Frequently Asked Questions

Q: Are you a manufacturer or trader? A: We are a manufacturer focusing on sensor and IoT solutions for 10 years.
Q: How long is your delivery time? A: It depends on the quantity. Normally it takes about one to two weeks.
Q: What information is needed for a quotation? A: Please provide the pipe diameter, measuring medium, flow rate, temperature, pressure, connection type, and required accuracy.
Q: Do you offer OEM or custom branding? A: Yes, we can laser mark your logo on products and support both OEM and ODM customization.
Q: What is the warranty period? A: Our standard warranty is 12 months after shipment.
Q: What payment terms do you accept? A: We accept T/T, PayPal, Western Union, and other standard payment methods.

Related Products